Hybrid Combiner 5052144N (4in/4out, N Female)
- Artikelnummer
- 5052144N
| Beschreibung | Mit einem festen Kopplungswert von 3dB bieten Hybridkoppler (auch bekannt als Hybrid-Combiner) von bda connectivity höchste Flexibilität bei der Netzverteilung. Darüber hinaus ermöglichen die verlustarme PIM und die hohe Isolation in Kombination mit verschiedenen Steckverbinderkonfigurationen und Leistungsklassen eine große Auswahl für das jeweilig benötigte Netzwerkkonzept. Mit einer Betriebsfrequenz 3,8 GHz ist die Nutzung der Hybridcombiner in 5-G-Netzen konzipiert. |
|---|---|
| Einsatzzweck | Ausgelegt für die entkoppelte Kombination von 2 Sendern oder Empfängersignale auf eine gemeinsame Antenne |
| CPR/DOP | n.r. |
Elektrische Eigenschaften
| Frequenzbereich (MHz) | 698 - 3800 |
|---|---|
| Einfügungsdämpfung (dB) | 6,0 ± 1,3 |
| VSWR | ≤ -1,25/-19dB |
| Isolation (dB) | ≥ 23 |
| PIM3 (dBc, @2x20W) | ≤ 160 |
| Eingangs-Impedanz (Ω) | 50 |
| durschn. Eingangsleistung (W) | 300 |
Mechanische Eigenschaften
| Betriebstemperaturbereich (°C) | -30 / +65 |
|---|---|
| Lagertemperaturbereich (°C) | -40 / +85 |
| Luftdruckbereich (kPa) | 55-106 |
| Relative Luftfeuchte (%) | ≤ 95 |
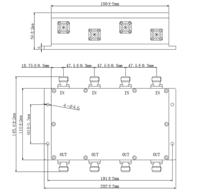
| Steckverbinder | N Female |
| IP-Schutzklasse | IP 65 |
| Abmessungen (ggf. exkl. Verbinder/Halterung) (mm) | 202x110x56 |
| Farbe | hellgrau |
| Montage | Wandmontage |
| Gewicht | 2,2 kg/VPE |
Sonstige
| CE | |
|---|---|
| VDE | |
| EN | |
| NSR/LVD |